Skip to navigation Skip to content
UR4UNR
  • Home
  • Cart
  • Checkout
  • Classifieds
  • Hi everyone!
  • My account
  • Posts
  • Privacy Policy
  • Shop
  • Home
  • Cart
  • Checkout
  • Classifieds
  • Hi everyone!
  • My account
  • Posts
  • Privacy Policy
  • Shop
  • €0.00 0 items

Fuck ruzz nazis. ruzzia attacked Ukraine - WAR. The store is closed.

If you want help PayPal for donate - UR4UNR@gmail.com

Home / Posts tagged “LDMOS”

Tag: LDMOS

Posted on May 15, 2025May 15, 2025 by UR4UNR — Leave a comment

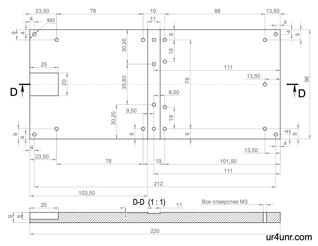
Clamp for LDMOS BLF188/189 ART1k6 ART2k0

Category: Amplifiers
Tags: art1k6, Clamp, LDMOS
Posted on February 11, 2021February 20, 2021 by UR4UNR — Leave a comment

Cooling copper board for LDMOS amp

Category: Amplifiers
Tags: Amp 1kW, LDMOS
Products
  • Protective handles for icom ic706 mk2g Protective handles for icom ic706 mk2g €20.00
  • UNUN for EFHW 1:49 (EFB149M) UNUN for EFHW 1:49 (EFB149M) €200.00 Original price was: €200.00.€170.00Current price is: €170.00.
  • Balun for dipole 1:1 (DB11K) Balun for dipole 1:1 (DB11K) €90.00 Original price was: €90.00.€70.00Current price is: €70.00.
Used ham equipment
  • Amplifiers (0)

    • Solid state (0)
    • Tube amp (0)
  • Antennas (0)

    • Mast (0)
    • Wire antennas (0)
    • Yagi (0)
  • Other ham stuff (0)

  • Power Suply (0)

  • Transceivers (0)

    • Icom (0)
    • Kenwood (0)
    • Yaesu (0)
Recent Posts
  • Add fan in APC Smart UPS 1000 (sui1000i)
  • S-meter and signal strength
  • Icom IC7100 Panadapter (2nd receiver) – rf tap
  • Icom IC-7100 bands mod
  • Magnetic materials for broadband transmission lines transformers
Categories
  • About antennas
  • about WAR IN UKRAINE
  • Amplifiers
  • DX News
  • Ham stuff news
  • HF Tuners
  • Manuals
  • Repair ham stuff
  • Software
  • Video
Contact

    Tags
    1:1 balun 700w hf amp Amp 1kW ampleon apc art1k6 Balun 1:4 bands mod broadband transmission lines build dipole build t2fd Clamp Dipole Dxpedition hf tuner ic706 mods ic7100 icom icom cr-282 Icom IC-706 Icom IC-706 MK2G Icom IC-706 MK2G Service manual Icom IC-7100 bands mod Icom ic7100 LDMOS ldmos amp Magnetic materials manual multiband antenna n7ddc OCF Antenna ocfd panadapter PR2IC ruzzia S-meter sdr service manual signal strength sui1500i t2fd antenna transformers transmission lines tuner ur4unr
    © UR4UNR 2025
    Built with Storefront & WooCommerce.
    • My Account
    • Search
    • 0